In der anspruchsvollen Architektur moderner Vertikaltransporte ist Sicherheit nicht nur ein Merkmal, sondern eine strenge technische Anforderung. Die Aufzugsölpuffer dient als definit...
READ MORE











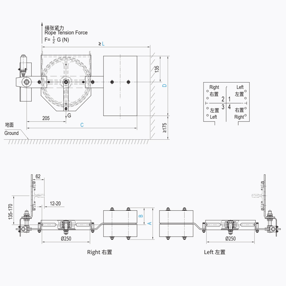
Die Aufzugsspannvorrichtung LTD02 verfügt über eine Schwingarmstruktur und ermöglicht die automatische Spannung des Drahtseils durch einen Gegengewichtsblock. Es bietet die Vorteile einer kompakten Struktur, einer einfachen Bedienung und einer bequemen Wartung. Der Schwenkarmspanner LTD02 zeichnet sich außerdem durch gute Anpassungsfähigkeit und Einstellbarkeit aus. Sein Gegengewicht kann an die spezifischen Anforderungen des Aufzugs und an verschiedene Arten von Führungsschienen und Drahtseilspezifikationen angepasst werden.
| Nr. | Riemenscheibe Durchmesser (mm) | Seil Durchmesser (mm) | A (mm) | B (mm) | C (mm) | D (mm) | L (mm) | Block Materialien | Seil Tension Force F (N) |
| A01 | 200 | φ6 | 155 | 79 | 435 | 300 | ≥450 | CM | 175 |
| A02 | 200 | φ6 | 95 | 54 | 420 | 300 | ≥440 | SP | 175 |
| A03 | 200 | φ6 | 145 | 74 | 485 | 300 | ≥485 | CM | 225 |
| A04 | 200 | φ6 | 85 | 49 | 475 | 300 | ≥475 | SP | 225 |
| A05 | 200 | φ6 | 165 | 84 | 485 | 310 | ≥485 | CM | 300 |
| A06 | 200 | φ6 | 95 | 54 | 485 | 310 | ≥485 | SP | 300 |
| A07 | 200 | φ6 | 155 | 79 | 400 | 310 | ≥410 | SP | 300 |
| Nr. | Riemenscheibe Durchmesser (mm) | Seil Durchmesser (mm) | A (mm) | B (mm) | C (mm) | D (mm) | L (mm) | Block Materialien | Seil Tension Force F (N) |
| B01 | 240 | φ8 | 155 | 79 | 430 | 300 | ≥490 | CM | 175 |
| B02 | 240 | φ8 | 95 | 54 | 420 | 300 | ≥480 | SP | 175 |
| B03 | 240 | φ8 | 145 | 74 | 485 | 300 | ≥520 | CM | 225 |
| B04 | 240 | φ8 | 85 | 49 | 475 | 300 | ≥510 | SP | 225 |
| B05 | 240 | φ8 | 165 | 84 | 485 | 310 | ≥520 | CM | 300 |
| B06 | 240 | φ8 | 95 | 54 | 485 | 310 | ≥520 | SP | 300 |
| Nr. | Riemenscheibe Durchmesser (mm) | Seil Durchmesser (mm) | A (mm) | B (mm) | C (mm) | D (mm) | L (mm) | Block Materialien | Seil Tension Force F (N) |
| C01 | 250 | φ8 | 165 | 88 | 550 | 310 | ≥560 | CM | 300 |
| C02 | 250 | φ8 | 95 | 53 | 550 | 310 | ≥560 | SP | 300 |
| C03 | 250 | φ8 | 155 | 83 | 465 | 300 | ≥480 | SP | 300 |
| Nr. | Riemenscheibe Durchmesser (mm) | Seil Durchmesser (mm) | A (mm) | B (mm) | C (mm) | D (mm) | L (mm) | Block Materialien | Seil Tension Force F (N) |
| D01 | 200 | φ6 | 155 | 79 | 430 | 300 | ≥460 | CM | 175 |
| D02 | 200 | φ6 | 95 | 54 | 420 | 300 | ≥450 | SP | 175 |
| D03 | 200 | φ6 | 145 | 74 | 485 | 300 | ≥485 | CM | 225 |
| D04 | 200 | φ6 | 85 | 49 | 475 | 300 | ≥475 | SP | 225 |
| D05 | 200 | φ6 | 165 | 84 | 485 | 310 | ≥485 | CM | 300 |
| D06 | 200 | φ6 | 95 | 54 | 485 | 310 | ≥485 | SP | 300 |
| Nr. | Riemenscheibe Durchmesser (mm) | Seil Durchmesser (mm) | A (mm) | B (mm) | C (mm) | D (mm) | L (mm) | Block Materialien | Seil Tension Force F (N) |
| E01 | 240 | φ8 | 155 | 79 | 430 | 300 | ≥460 | CM | 175 |
| E02 | 240 | φ8 | 95 | 54 | 420 | 300 | ≥450 | SP | 175 |
| E03 | 240 | φ8 | 145 | 74 | 485 | 300 | ≥485 | CM | 225 |
| E04 | 240 | φ8 | 85 | 49 | 475 | 300 | ≥475 | SP | 225 |
| E05 | 240 | φ8 | 165 | 84 | 485 | 310 | ≥485 | CM | 300 |
| E06 | 240 | φ8 | 95 | 54 | 485 | 310 | ≥485 | SP | 300 |
| Nr. | Riemenscheibe Durchmesser (mm) | Seil Durchmesser (mm) | A (mm) | B (mm) | C (mm) | D (mm) | L (mm) | Block Materialien | Seil Tension Force F (N) |
| F01 | 250 | φ8 | 165 | 88 | 575 | 310 | ≥560 | CM | 300 |
| F02 | 250 | φ8 | 95 | 53 | 575 | 310 | ≥560 | SP | 300 |
In der anspruchsvollen Architektur moderner Vertikaltransporte ist Sicherheit nicht nur ein Merkmal, sondern eine strenge technische Anforderung. Die Aufzugsölpuffer dient als definit...
READ MOREVerständnis von Aufzugssystemen mit Fangvorrichtungen Sicherheitsausrüstung-Aufzug Systeme gehören zu den kritischsten mechanischen Sicherheitskomponenten im modernen Vertikaltransp...
READ MOREIn der vertikalen Transportbranche bleibt die Sicherheit das oberste Anliegen für Ingenieure, Architekten und Immobilienverwalter. Unter den unzähligen Sicherheitskomponenten in einem Aufzugssystem...
READ MOREDie Integrität jedes vertikalen Transportsystems beruht auf einem stillen, nicht verhandelbaren Sicherheitspakt. Diese Sicherheit ist kein abstraktes Konzept, sondern die präzise, zuverlässige Fu...
READ MOREIn der vertikalen Transporttechnik ist die Sicherheitsausrüstung für Aufzüge dient als entscheidende letzte mechanische Ausfallsicherung. Wenn eine Übergeschwindigkeitsbedingung erkan...
READ MORENotstopps stellen den extremsten und sicherheitskritischsten Betriebszustand in einer Aufzugsanlage dar. Bei diesen Ereignissen müssen große Mengen kinetischer Energie auf kürzeste Distanz absorbie...
READ MOREDie Durchführung von Inspektionen oder Wartungsarbeiten an Aufzugssystemen erfordert die Bewältigung einiger der gefährlichsten Umgebungen in der bebauten Umgebung. Der Aufzugschacht und die Schach...
READ MORE