Mechanische kinetische Energiedissipations- und Bremsprinzipien Die Betriebssicherheit des Vertikaltransports hängt von der Endbremsleistung ab Sicherheitsausrüstung für Aufzug . Bei der ...
READ MORE
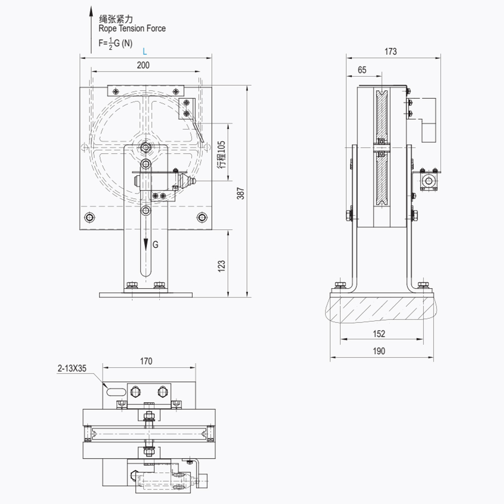
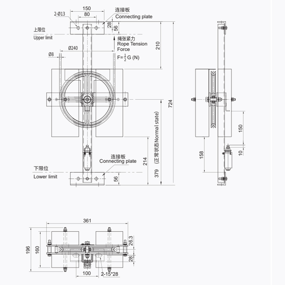
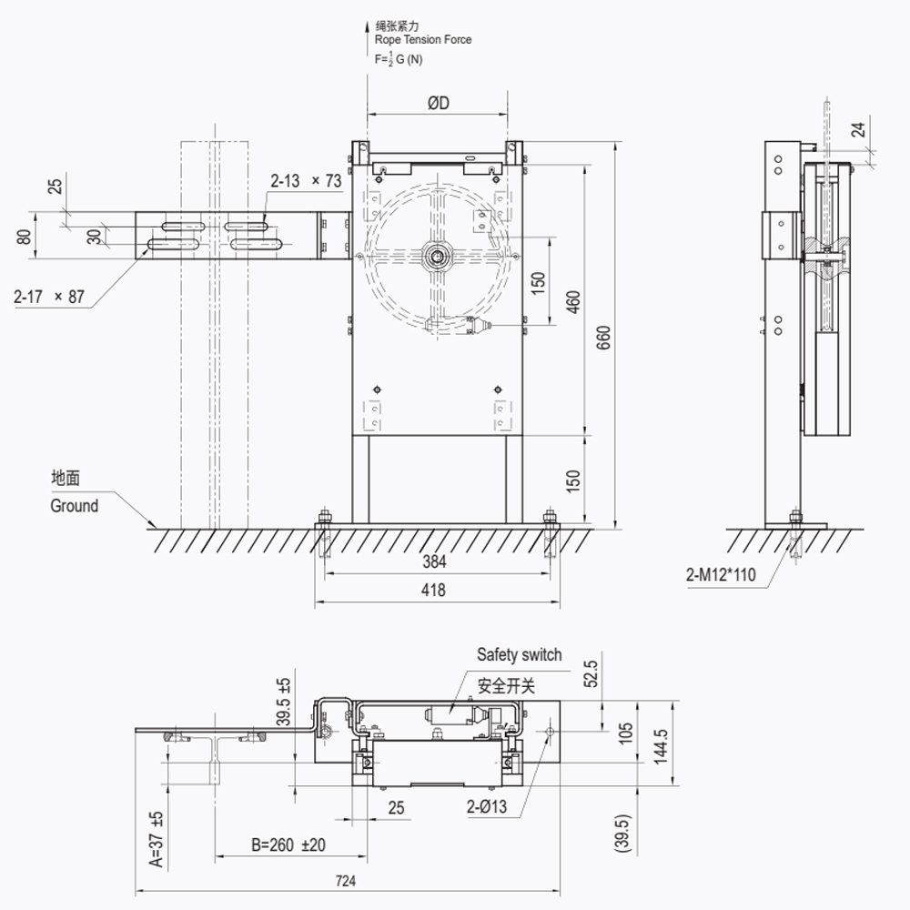
Die vertikale Spannvorrichtung ist eine mechanische Vorrichtung, die dazu dient, eine konstante Spannung im Geschwindigkeitsregler-Drahtseil oder in der Ausgleichskette im Aufzugssystem aufrechtzuerhalten. Es wird eine vertikale Schwerkraftspannmethode nach unten angewendet.
Mechanische kinetische Energiedissipations- und Bremsprinzipien Die Betriebssicherheit des Vertikaltransports hängt von der Endbremsleistung ab Sicherheitsausrüstung für Aufzug . Bei der ...
READ MOREAscending Car Overspeed Protection (ACOP) und EN 81-20-Standards 1. Die LRB02 Aufzugsseilbremse, Hubseilgreifer, Seilklemme fungiert als kritische sekundäre Sicherheitskomponente, die unk...
READ MOREHydrodynamische Prinzipien der Energiedissipation 1. Die betriebliche Effizienz von Ölpuffer für Aufzüge beruht auf der kontrollierten Umwandlung kinetischer Energie in thermische ...
READ MOREZentrifugalkraftmechanik und Kalibrierung der Auslösegeschwindigkeit 1. Die Betriebssicherheit eines Geschwindigkeitsbegrenzer im Aufzug hängt von der genauen Kalibrierung der Flie...
READ MOREKinetische Energiedissipation und hydraulische Puffermechanik 1. Sterben Hauptfunktion hydraulischer Puffer im Inneren Sicherheitsausrüstung für Aufzüge Besteht darin, die kinetische Ener...
READ MOREEin Geschwindigkeitsbegrenzer für Aufzüge ist eine mechanische Sicherheitsvorrichtung, die die Fahrzeuggeschwindigkeit in Echtzeit überwacht und eine Notbremsung einleitet, wenn die S...
READ MOREEinführung in Aufzugssicherheitssysteme Der vertikale Transport in modernen Hochhäusern beruht auf komplexen mechanischen und elektrischen Systemen. Während Motoren und Steuerungen den täglichen...
READ MORE